Whisky patrí medzi najobľúbenejšie alkoholické nápoje na svete, pričom jej bohatá história a komplexný výrobný proces sú fascinujúce. Na otázku, odkiaľ whisky pochádza, odpovedá už samotný názov destilátu. Svoje korene má v Írsku a Škótsku, kde sa tradícia jej výroby formovala po stáročia. Podľa niektorých zdrojov priniesli umenie destilácie na ostrovy kresťanskí misionári, zatiaľ čo iní tvrdia, že k tomuto spôsobu spracovania prebytočného jačmeňa mohli prísť farmári aj sami.
Počiatky a Vývoj Výroby Whisky
Čo začalo ako domáca výroba whisky, sa čoskoro stalo výnosným biznisom. Zo 17. storočia sa dochoval záznam o prvej licencovanej destilérii, slávnej Ferintosh Distillery. Je však dôležité poznamenať, že v týchto časoch sa ešte na zrenie whisky nepoužívali drevené sudy a destilát sa neriedil. S írskymi imigrantmi sa obilný destilát v 18. storočí dostal cez oceán do Ameriky. Práve odtiaľ pravdepodobne pochádza rozdiel v písomnom zázname u amerických whiskey, ktoré sa často píšu s "e" na konci.

Názov "whisky" samotný má svoje korene v írskom gaelčine, kde výraz "uisce beatha" znamená "voda života". Pôvodne tento názov označoval akýkoľvek druh destilovaného liehoviny, dokonca aj tie, ktoré sa používali na výrobu parfumov alebo liekov. V priebehu storočí sa pôvodný názov "uisge" postupne menil na "usky" a nakoniec sa vyvinul do dnešného anglického výrazu "whisky".
V 19. storočí došlo k obrovskému nárastu výroby whisky. Tempo industrializácie bolo také rýchle, že počet destilérií v Írsku sa v rokoch 1827 až 1840 zdvojnásobil. Kým 19. storočie rozvoju destilačného priemyslu v Írsku veľmi prialo, začiatok 20. storočia priniesol vážne rany. Hospodárske otrasy spôsobené prvou svetovou vojnou, Veľkonočné povstanie a občianska vojna v Írsku toto odvetvie vážne poškodili. Ďalšou ranou bolo prijatie 18. dodatku ústavy USA, ktorý zakázal predaj alkoholu v USA (obdobie prohibície). Napriek týmto prekážkam írska whiskey prežila a od osemdesiatych rokov minulého storočia nastáva oživenie jej výroby.
V Škótsku koluje príslovie: „Íri možno whisky vynašli, ale my sme ju priviedli k dokonalosti.“ Všeobecne bola výroba whisky logickým vyústením hospodárenia farmárov. Keď zostal jačmeň alebo iná obilnina, ktorá sa nedala inak využiť, bolo najvýhodnejšie urobiť z nej liehovinu, ako podstúpiť riziko, že zhnije pri skladovaní. Prebytok whisky bolo možné predať a stal sa z neho ďalší zdroj príjmov. Avšak tieto príjmy prilákali tiež pozornosť úradov, najmä z pohľadu možných daní. Daň na whisky bola napríklad v Škótsku zavedená veľmi rýchlo, dokonca aj slad podliehal dani. Pretože dane sa asi nikdy nechcelo platiť nikomu a nikde, nasledovalo mnoho pokusov ako oklamať vyberačov daní. Veľmi rozšíreným odborom sa stalo nelegálne pálenie whisky a jej pašovanie.
Pred vyše 500 rokmi, konkrétne v roku 1494, sa whisky objavila v historických záznamoch. Kráľovské pokladné zvytky, tzv. Exchequer Rolls, z roku 1494 obsahujú prípis škótskeho kráľa Jakuba IV. adresovaný pravdepodobne predstaveným kláštora Saint Andrews, ktorý prikazoval bratovi Corovi pripraviť zo zaslanej suroviny akvavit. Išlo o zákazku na približne 150 kg (jeden boll je staroškótska jednotka váhy). Akvavit pritom označoval "vodu života" z latinského aqua vitae, ktorým sa v stredoveku označovali liečivé destiláty. Prvé zmienky o destilátoch vyrábaných z obilia, ktorých zástupcom je aj whisky, pochádzajú už z 12. storočia.
History Documentary Films ✧ Scotch! The Story of Whisky
Základné Suroviny a Výrobný Proces
Základnými surovinami pre výrobu whisky sú voda, obilniny a kvasinky. Rozdiely v druhoch použitých obilnín a v procesoch výroby dávajú vzniknúť rôznym typom whisky.
Obilie:
- Sladová whisky (Single Malt Whisky): Vyrába sa výhradne zo sladovaného jačmeňa.
- Obilná whisky (Grain Whisky): Môže byť vyrobená z jedného typu obilnín (single grain whisky) alebo zmesi rôznych obilnín, ako je jačmeň, raž alebo kukurica.
- Americká whiskey: Používa sa v nej viac ako 50 % kukurice.
- Kanadská whisky: Najčastejšie sa vyrába z raže.
- Česká whisky: Zvyčajne sa drží škótskeho štýlu a vyrába sa zo sladovaného jačmeňa.
Voda: Kvalitná, čistá voda je nevyhnutná pre výrobu whisky. Voda má v procese tri podstatné úlohy: je potrebná pri príprave skvaseného rmutu, používa sa na chladenie kondenzátorov a tiež na riedenie whisky pri stáčaní do sudov aj pri plnení do fliaš. Poloha starších páleníc svedčí o ich umiestnení pri vhodných vodných zdrojoch. Dôležitosť vody potvrdzujú aj kroky niektorých páleníc, ktoré odkúpili pozemky okolo svojho zdroja vody, aby ho ochránili pred znečistením. Voda ovplyvňuje aj chuť whisky - napríklad voda, ktorú používa pálenica Ardbeg, preteká cez močiarové rašelinisko.
Kvasinky: Kvasinky sú zodpovedné za fermentáciu, pri ktorej sa cukry premieňajú na alkohol.
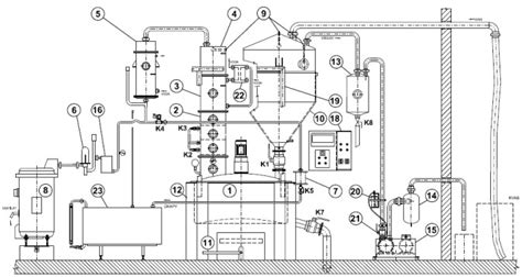
Výrobné Kroky:
Sladovanie: Jačmeň sa najprv očistí a niekoľko dní (2-3 dni) sa máča vo vode. Keď nasiakne, rozprestrie sa na betónovej ploche do niekoľko decimetrovej vrstvy. Tu sa nechá vo vlhku a tme klíčiť (8-12 dní). Počas klíčenia sa škrob obsiahnutý v zrnách premieňa na cukor vďaka aktivácii enzýmov. Tento proces spúšťa produkciu sladových enzýmov, ktoré rozkladajú škrob na jednoduchšie cukry. Naklíčený jačmeň sa potom musí usušiť a upražiť.

Sušenie a Praženie: Naklíčený jačmeň sa suší a praží, čím sa zastaví klíčenie a zachová sa dosiahnutý obsah cukru. Pri sušení sa môže použiť rašelina, ktorá dodáva whisky charakteristickú dymovú a rašelinovú chuť. Tento spôsob sušenia je typický najmä pre škótsku whisky z oblasti Islay. Priemerne doba sušenia sladu je 18 hodín.
Mletie a Rmutovanie: Usušený a opražený jačmeň (slad) sa rozseká (zomelie) a namočí do horúcej vody. Týmto procesom sa z neho uvoľnia fermentovateľné zložky a vznikne tekutina s vysokým obsahom cukrov, nazývaná zápara, predzákvas, alebo rmut. V Škótsku sa zápara pripravuje obyčajne na trikrát. Nesladové obilniny používané na výrobu obilnej whisky sa na rozdiel od sladových môžu variť.
Fermentácia (Kvasenie): Do precedenej zápary sa pridajú kvasinky, ktoré premieňajú cukry na alkohol (etanol). Pri tomto procese vzniká alkohol v koncentrácii približne 5 - 10 %. Kvasenie trvá zvyčajne 2 až 3 dni a výsledkom je tzv. "wash" alebo skvasený rmut.
Destilácia: Whisky sa destiluje, aby sa zvýšil obsah alkoholu a oddelili sa nežiaduce látky. Sladová whisky sa destiluje v kotlíkových destilačných prístrojoch (pot-still), zatiaľ čo obilná whisky sa destiluje v kolonových destilačných prístrojoch (column still).
- Prvá destilácia: Výsledkom je tekutina so silou 20 - 25 % alkoholu.
- Druhá destilácia: Zvyšuje obsah alkoholu na približne 70 %.
- Tretia destilácia (typická pre Írsko): Dosahuje obsah alkoholu až 85 % a jemnejšiu chuť.Tvar destilačných zariadení má vplyv na výsledný profil whisky. Napríklad palírna Glenmorangie sa pýši najvyššími prístrojmi s dlhými úzkymi krkmi, ktoré dávajú vzniknúť výnimočne jemnej whisky.

Zrárnie: Destilát sa necháva zrieť v dubových sudoch, najčastejšie po sherry alebo bourbone. Dubové sudy, často vnútorne vypálené (toasted až charred), dodávajú whisky typické drevité tóny a farbu. Proces zrenia je kľúčový pre vývoj chuti a arómy. Podľa zákona musí škótska whisky zrieť v sudoch minimálne tri roky. Počas zrenia sa ročne odparí približne 2 % whisky, známe ako "anjelský podiel".
Riedenie a Miešanie (Blending): Pred fľaškovaním sa whisky zvyčajne zriedi na minimálne 40 % alkoholu. Mnohé komerčne známe whisky sú "blended whisky", čo znamená, že sú zmesou rôznych druhov whisky. Tieto zmesi vytvárajú "master blenderi", ktorí svojou expertízou zabezpečujú konzistentnú kvalitu a chuť.
Fľaškovanie: Finálny krok, kedy je whisky pripravená na konzumáciu. Je dôležité poznamenať, že whisky už vo fľaši nedozrieva.
Rozdiely Medzi Whisky a Whiskey
Rozdiel v písaní "whisky" a "whiskey" nie je len otázkou gramatiky, ale často odráža aj krajinu pôvodu. Všetka produkcia zo Škótska sa označuje ako whisky, zatiaľ čo produkty z Írska sa píšu ako whiskey. V USA sa používajú oba názvy, pričom v Kentucky sa prevažne používa "whiskey", ale niektoré pálenice označujú svoje produkty ako "whisky". V Kanade sa používajú oba názvy. V ostatnom svete sa väčšinou používa "whisky", ale sú možné aj národné úpravy.
Špecifické Typy a Regióny
Írska Pot Still Whiskey: Tradičná írska liehovina vyrábaná kotlíkovým destilačným prístrojom. Na rozdiel od škótskej whisky sa v írskych sladovniach nepoužíva rašelinový oheň, čo znamená, že írskym whiskey chýba dymový tón. Pôvodne sa vyrábala iba destilovaním sladu, ale pred 150 rokmi sa kvôli vysokým daniam začal do sladu primiešavať surový jačmeň. Výsledkom tohto miešania sladu vznikol špecifický spôsob nazývaný "pot-still whiskey".
Škótska Whisky: Delí sa na niekoľko hlavných regiónov, vrátane Highlands, Lowlands, Campeltown a Islay. Whisky z Islay je často charakteristická silným rašelinovým dymom.
Americká Whiskey (Bourbon): Pochádza predovšetkým z Kentucky. Podľa zákona musí obsahovať minimálne 51 % kukurice. Bourbon je príjemne nasladlý a jeho profil sa líši podľa pomeru jednotlivých ingrediencií.
Tennessee Whiskey: V základe ide o bourbon, ale odlišuje sa procesom filtrácie cez drevené uhlie pred zrením, ktorý je známy ako "Lincoln County Process". Majstrovsky ju reprezentuje napríklad Jack Daniel's.
Japonská Whisky: Má veľmi úzke puto so Škótskom, pretože mnohí japonskí výrobcovia študovali umenie výroby whisky priamo v Škótsku. Vďaka japonskej precíznosti sú výsledky vynikajúce a často získavajú ceny na svetových súťažiach.
Kanadská Whisky: Typická je zmesou rôznych druhov obilia s vyšším obsahom kukurice a osobitnú obľubu si tam užíva ražná whisky. Kanadské whisky sú jemné a skôr ľahšieho charakteru.
Česká Whisky: Hoci Česi majú s výrobou liehovín dlhoročnú tradíciu, výroba whisky je relatívne novšia. Prvou českou whisky bola King Barley z roku 1973. V posledných rokoch sa výroba v Českej republike rozbieha.

Investícia do Whisky
Okrem toho, že je whisky obľúbeným nápojom, stáva sa aj zaujímavou investíciou. Vzhľadom na to, že prvý "index whisky" vznikol len pred niekoľkými rokmi, niektoré top značky vzrástli na hodnote o viac ako 600 %, čím prekonali výkonnosť akciových trhov a iných aktív.
Výroba whisky je komplexný proces, ktorý spája tradíciu s inováciou. Každý krok, od výberu surovín až po dlhé roky zrenia v sudoch, prispieva k jedinečnému charakteru a chuti tohto zlatistého elixíru. Objavovanie nových chutí a vôní svetových whisky je zábavou pre každého milovníka tohto nápoja.