Výroba destilátov, familiárne nazývaných pálenky, je umenie staré stáročia, ktoré na Slovensku zažíva renesanciu. Mnohým sa pri slove destilát môže automaticky vynoriť v podvedomí slivovica, no spektrum slovenských destilátov je omnoho širšie. Od tradičných ovocných destilátov, cez tie z obilia, až po menej obvyklé variácie z piva či vína, každý milovník kvalitného alkoholu si nájde to svoje. Pravý 100% čistý destilát sa vyrába z precízne pripraveného kvasu a následnej destilácie, pričom jeho chuť a aróma sa často rozvíjajú roky dozrievania. Tento proces nie je len o technických krokoch, ale predovšetkým o trpezlivosti, zručnosti a hlbokom porozumení prírodným procesom.
Základy Výroby Destilátu: Kvasenie
Základom každej kvalitnej pálenky je predovšetkým dobre pripravený kvas. Ide o čisto prírodný proces, pri ktorom dochádza k rozkladu organického materiálu na sacharidy. Na úspešné kvasenie sú potrebné len dve základné zložky: sacharidy a kvasinky. Pred samotným kvasením je nevyhnutné vopred si pripraviť samotný kvas. Ten by mal vždy pochádzať z jednej odrody ovocia, čo zaručuje jeho čistotu a konzistentnosť. Medzi najčastejšie druhy ovocia, ktoré sa na Slovensku tešia popularite pri výrobe domácich destilátov, patria jednoznačne slivky, marhule, hrušky a jablká. Nemenej obľúbená je však aj borievka.
Príprava Dokonalého Kvasu: Poctivá Práca
Kvalitný kvas predstavuje jednu z najdôležitejších podmienok pri príprave kvalitného destilátu. Dobrý kvas znamená dobrú pálenku. Príprava kvasu je poctivá práca, pri ktorej sa nikdy neoplatí postup zjednodušiť alebo oklamať. Do suda by sa malo dostať len zdravé, zrelé ovocie, dôkladne očistené od všetkých nečistôt, ako je hlina, kamienky, stonky a lístky. Nádoba na kvas musí byť dokonale čistá, ideálne vyrobená z plastu alebo nerezu.
Kvas je potrebné dôkladne premiešať a v závislosti od stupňa zrelosti ovocia pridať 1 až 2 kg cukru na 100 litrov kvasu. Toto množstvo slúži na rýchlejší rozbeh kvasenia. Príliš veľa cukru však znižuje výslednú kvalitu destilátu a môže spôsobiť nepríjemné "pálčivé chute v hrdle". Namiesto nadmerného pridávania cukru je lepšie siahnúť po kultúrnych kvasinkách, výžive a enzýmoch, ktoré zabezpečia prirodzené a dokonalé prekvasenie s vysokou výťažnosťou. Cukor by mal byť vždy rozpustený vo vlažnej vode pred pridaním do kvasu.
Nádobu s kvasom je potrebné uložiť do miestnosti so stabilnou teplotou v rozmedzí 15-20 °C. Jednoduchým indikátorom ukončenia kvasného procesu je postupné prepadávanie "koláča" na povrchu kvasu. V tejto fáze je vhodné zmerať zvyškový cukor hustomerom alebo refraktometrom. Kvasný koláč má počas kvasenia dôležitú úlohu, pretože zabraňuje odparovaniu liehu a prístupu nežiaducich mikroorganizmov. Keď sa koláč začne prepadávať do kvasu, znamená to, že kvas je pripravený na destiláciu.
Kvasenie je proces, ktorý prebieha v spolupráci s kvasinkami. Produktmi kvasenia sú: samotný kvas, ktorý je veľmi náchylný na plesne a baktérie, oxid uhličitý (CO2) a teplo. Kvasinky produkujú CO2, ktorý vynáša na povrch časť pevného ovocia tzv. "koláč". Tento koláč chráni kvas pred zbytočnými únikmi etanolu a tepla, a zároveň zamedzuje prístupu vzduchu a nežiaducich mikroorganizmov. Teplo je pri kvasení dôležitým faktorom; kvalitné destiláty sa pripravujú pri teplote 16-20 °C. Nižšia teplota môže kvasenie zastaviť, zatiaľ čo príliš vysoká teplota spôsobuje úniky a vyparovanie alkoholu.
Samotné kvasenie má niekoľko etáp: rozkvasenie, búrlivé kvasenie a dokvášanie. Kvasenie je ukončené vtedy, keď sa spotrebuje všetok dostupný cukor. Pre bežných pestovateľov je dostatočným indikátorom začatie prepadávania "koláča".
Ošetrenie Kvasu po Dokvasení
Mnoho pestovateľov sa obáva, že sa im vykvasené ovocie "pokazí". Kvasy z ovocia ako marhule či hrušky, ktoré sú citlivé na stratu arómy, by sa mali páliť čo najskôr po dokvasení. Avšak, po správnom ošetrení kvasu je možné páliť toto ovocie aj 3 až 4 týždne po dokvasení. Po dokvasení sa v ovocí prirodzene zvyšuje pH, čo môže viesť k infekcii octovými baktériami, ktoré premieňajú alkohol na ocot. Preto je vhodné do kvasu pridať prípravok na zníženie pH (napr. Erbslöh pH Senker alebo kyselinu citrónovú), aby sa zabránilo infekcii. Dokvasený sud je potom potrebné hermeticky uzavrieť a umiestniť na čo najchladnejšie miesto.
Problémy pri Kvasení a Ich Riešenia
- Biely povlak na kvas: Znamená napadnutie plesňami, čo má výrazný vplyv na kvalitu destilátu. Plesne (povlak aj s časťou zdravého materiálu) je potrebné z kvasu odstrániť. Množeniu plesní zabránite hermetickým uzavretím kvasnej nádoby, použitím kvasnej zátky a kvasením pri nižšej teplote (do 20 °C). Dôležité je aj zakyslenie kvasu, pretože plesňami sú skôr napádané kvasy s prirodzene vyšším pH (napr. broskyne, hrušky, moruše), kde sa kvasinky množia pomalšie a dávajú priestor pre rozmnožovanie plesní.
- Kyslá, octová chuť kvasu: Často signalizuje, že kvas (najmä hruškový a broskyňový) nebol pri založení dostatočne okyslený. Paradoxne, pri vyššom pH sa vo väčšom množstve množia octové baktérie, ktoré premieňajú alkohol na ocot. Aby ste sa vyhli octovej chuti a nižšej výťažnosti, je potrebné kvas pri zakladaní zakysliť na hodnotu pH v rozmedzí 2,8 až 3,5. Dôležité je tiež zabrániť prístupu vzduchu (kvasná zátka) a kvasiť pri primeranej teplote.
- Pridávanie vápna do kvasu: Určite sa neodporúča. Vápno síce zabije všetky mikroorganizmy, ale dlhodobo zvyšuje pH, čím napomáha neskoršej infekcii nežiaducimi mikroorganizmami. Zároveň kazí chuť vypáleného destilátu, pretože vápno reaguje a neutralizuje látky, ktoré mu dodávajú špecifické chute a arómy. Vypálený destilát môže byť zakalený do biela a vápno zanecháva stopy v technológii, čo znehodnocuje ďalšie pálenia.
Odkôstkovanie Ovocia: Prečo a Ako
Odkôstkovanie marhúľ a broskýň pred založením kvasu je nevyhnutné. Kvasenie na kôstkach je nežiaduce, pretože obsahujú veľa etylkarbamátu a kyseliny kyanovodíkovej. Malé kôstky marhúľ sú bohaté na silikové oleje a amygdalín, ktoré môžu destilátu dodať nežiaducu kôstkovú arómu na úkor tej marhuľovej. Marhule s väčšími kôstkami a broskyne je možné odkôstkovať aj po dokvasení, kedy sa preleje kvas cez sito. Pri slivkách a čerešniach nie je úplné odkôstkovanie nutné, ale aspoň časť kôstok by mala byť pred pálením odstránená.
Prvá Destilácia: Získanie Surového Destilátu
Pred začatím samotnej destilácie je potrebné vykonať niekoľko úkonov. Kvas by mal byť pred prenesením do kotla dokonale čistý. Je dôležité odstrániť prípadný "koláč" z povrchu kvasu, ktorý vznikol počas kvasenia, aby sa predišlo pripáleniu pevných častí kvasu ku dnu kotla. Ovociam, ktoré má tendenciu tvoriť penu (napr. jablká, hrušky, marhule), je potrebné venovať zvýšenú pozornosť. Kotol by sa nemal naplniť viac ako do 2/3 až 1/2 objemu, najmä pri ovocných kvasoch náchylných na penenie. Použitie prostriedkov proti peneniu môže tiež pomôcť.
Počas prvej destilácie je cieľom získať tzv. "lutr" alebo surový destilát. Kotol sa opatrne zahrieva a zároveň sa spúšťa miešadlo, aby sa zabránilo pripáleniu. Príprava a samotná prvá destilácia trvajú priemerne 2 až 3 hodiny. Postupným zahrievaním vznikajú liehové pary, ktoré cez klobúk a spojovacie potrubie vstupujú do chladiča, kde dôjde k ich skondenzovaniu. V tomto štádiu sa získava surový destilát s obsahom alkoholu približne 50-70 % obj. Lutr, ktorý obsahuje zvyčajne 20-30 % obj. etanolu, je označovaný ako polotovar a následne sa zušľachťuje druhou destiláciou.
moja prvá destilácia ---my first distillation
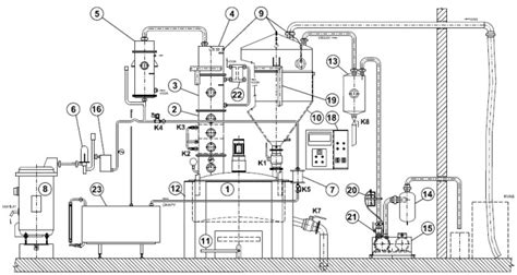
Vybavenie Pre Pálenie: Kotol, Chladič a Viac
Pre úspešné pálenie je nevyhnutné mať správne vybavenie. Základom je kotol, ktorý je často plochou vertikálnou nádobou s deflegmátorom (klobúkom). Na výrobu sa tradične používa meď, ktorá je vynikajúcim vodičom tepla a reaguje s niektorými nežiaducimi látkami. Kotol môže byť vybavený ručným miešadlom, prípadne elektrickým motorom.
Dôležitou súčasťou je aj deflegmátor alebo klobúk, ktorý je zhotovený z jedného kusu medeného plátu a je na ňom umiestnený teplomer. Tesnenie medzi kotlom a klobúkom zabraňuje úniku liehových pár.
Topenisko, alebo kotlina, tvorí nosný prvok a vytvára spaľovací priestor. Môže byť určené pre plynná paliva, pevné palivá alebo elektrické vykurovanie.
Spojovacie potrubie odvádza liehové pary z kotla do chladiča. Najčastejšie sa vyrába z medi alebo nerezu a jeho konce sú opatrené prevlečnými maticami pre dokonalú tesnosť.
Chladič má za úlohu kondenzovať pary na kvapalinu. Jeho funkcia je rozhodujúca pre finálnu podobu a chuť destilátu. Bežne sa používa špirálový chladič, ktorý je tvorený špirálovito stočenou medenou rúrou umiestnenou v nádobe s chladiacim médiom, obvykle vodou, o teplote 15-20 °C.

Zariadenia na Domáce Pálenie
Pre domáce pálenie sa ponúkajú rôzne typy zariadení, ako napríklad ECO pálenice. Tieto sú navrhnuté na dvojitú destiláciu, ktorá zabezpečuje požadovanú čistotu a koncentráciu destilátu. Pri prvej destilácii je cieľom oddeliť šťavu z kvasu od pevných zložiek. Je dôležité dbať na správne naplnenie kotla (max. do 2/3, pri penivých kvasoch do 1/2) a zabrániť pripáleniu. Pri druhej destilácii sa už nebojíme pripálenia, ale kladieme dôraz na presné oddelenie frakcií. Kotol sa plní do 80% objemu, aby sa predišlo vniknutiu peny do kopuly a následnému zníženiu čistiaceho efektu.
Pri zostavovaní a používaní ECO pálenice je dôležité správne umiestniť kotol, nasadiť medenú kopulu s tesnením a pripevniť spojovacie potrubie k chladiacemu zariadeniu.
Chladiace Zariadenie: Nepretržitý Prúd Chladu
Chladiace zariadenie ECO pálenice môže fungovať v prietokovom režime, ktorý zabezpečuje nepretržitú výmenu chladiacej vody a ideálnu teplotu destilátu. V tomto režime je potrebné pripojiť prívod chladiacej vody k vodovodnej sieti a na výstupe nastaviť taký prietok, aby destilát mal na výstupnej parnej rúre teplotu okolo 20 °C. Stačí veľmi slabý tok vody, často stačí kvapkajúci kohútik.
Alternatívou je režim výmeny vody, ktorý sa používa, ak nie je možné pripojenie k vodovodu. V tomto prípade sa prívodná rúra studenej vody utesní a chladiaca voda sa dopĺňa ručne. Tento režim si vyžaduje pravidelnú kontrolu teploty vody a jej výmenu každých 10 až 30 minút. Nevýhodou je možná kolísavosť teploty kvapkajúceho destilátu, čo si vyžaduje korekciu teploty pre presné určenie obsahu alkoholu.
Bezpečnostné Opatrenia Pri Destilácii
Destilácia je proces, ktorý si vyžaduje maximálnu pozornosť a dodržiavanie bezpečnostných pravidiel.
- Pracovný priestor: Zabezpečte dostatočný priestor, čistú a dobre vetranú miestnosť.
- Požiarne nebezpečenstvo: Počas varenia kvasu vznikajú horľavé látky. Majte poruke hasiaci prístroj a počas procesu nefajčite.
- Upchaté potrubia: Pred každým varením skontrolujte, či v parných rúrach nie sú upchatiny, ktoré by mohli spôsobiť nárast tlaku a explóziu.
- Čistiace varenie: Pred prvým pálením vykonajte tzv. "čistiace varenie" s vodou. Po ňom dôkladne umyte zariadenie.
- Ochranné prostriedky: Pri manipulácii s horúcimi časťami a kyselinami používajte ochranné prostriedky.
- Nepreťažujte kotol: Kotol naplňte maximálne do 3/4 objemu, aby zostalo dostatok priestoru na paru.
- Kontrola teploty: Používajte ovládateľný ohrievač a postupne regulujte výkon.
- Chladenie: Dbajte na to, aby sa voda v chladiči neprehriala.
- Alkohol počas destilácie: Počas destilácie alkohol nepite. Čerstvo destilovaná pálenka môže byť veľmi silná. Destilácia je nebezpečná technológia, ktorú je možné vykonávať iba v triezvom stave.
Druhá Destilácia (Rektifikácia): Cesta k Ušľachtilému Destilátu
Druhá destilácia, nazývaná aj jemná destilácia alebo rektifikácia, je kľúčová pre získanie tzv. ušľachtilého destilátu. Surovinou je lutr získaný z prvej destilácie. Pred začiatkom je nevyhnutné kotol dôkladne vyčistiť od zvyškov kvasu z prvej destilácie. Doba trvania druhej destilácie sa pohybuje okolo 2-3 hodín, v závislosti od objemu lutru.
Cieľom druhej destilácie je oddeliť žiaduce aromatické látky od nežiaducich alebo dokonca jedovatých zložiek. Tento proces sa realizuje frakčnou destiláciou, pri ktorej sa zachytávajú tri hlavné frakcie:
- Úkap (preddestilát): Toto je prvá frakcia, ktorá odteká pri rektifikácii lutru. Obsahuje látky s najnižším bodom varu, vrátane škodlivého metanolu. Úkapová frakcia môže obsahovať až 80 % obj. alkoholu a zvyčajne tvorí 0,5-2 % objemu rektifikovaného destilátu. Pre svoju toxicitu sa musí úkap oddeliť a zneškodniť. Jeho množstvo je dôležité správne určiť, často sa odhaduje na 500 ml na každých 100 litrov lutru.
- Prokap (jadro): Toto je druhá, stredná frakcia a predstavuje samotné "srdce" destilátu, teda tú časť, ktorá je určená na konzumáciu. Obsahuje vysoko čistý etylalkohol a príjemnú chuť a vôňu. Zachytáva sa oddelene od úkapu do čistej nádoby, ideálne sklenenej alebo z nerezovej ocele. Kvalita a množstvo prokapu sa zvyšuje s kvalitou pôvodného kvasu. Zvyčajne tvorí približne 1/3 celkového objemu destilátu a dosahuje koncentráciu 70-75 % obj. Pri druhej destilácii je dôležité dbať na pomalú destiláciu, aby sa zachovali žiaduce aromatické látky.
- Dokap (podestilát): Toto je tretia frakcia, ktorá začína odtekať pri dosiahnutí nižšej koncentrácie alkoholu (okolo 45 % obj.). Obsahuje vyššie alkoholy, estery a silicové oleje, ale aj tzv. "príbúdu", ktorá dáva destilátu nepríjemnú chuť a zápach. Hoci dokap nie je vhodný na priamu konzumáciu, stále obsahuje cenný etylalkohol a môže byť pridaný pri neskoršej destilácii. Jeho zber sa ukončuje pri koncentrácii okolo 4-5 % obj. alkoholu (pre slivovicu napr. 15-18 %).
Správne oddelenie týchto frakcií si vyžaduje skúsenosti destilatéra a pozornosť venovanú teplote a rýchlosti destilácie.
moja prvá destilácia ---my first distillation
Úprava Stupňa Alkoholu: Zriedenie pre Dokonalú Chuť
Obsah alkoholu získaný pri destilácii je zvyčajne veľmi vysoký (často nad 60-70 % obj.), čo nie je ideálne na priamu konzumáciu, pretože to potláča ovocné arómy a skutočnú chuť pálenky. Preto je dobré destilát zriediť na optimálnu koncentráciu, zvyčajne 40-45 % obj. Na riedenie je najvhodnejšia mäkká, chutná voda - destilovaná, demineralizovaná alebo zmäkčená voda z vodovodu. Tvrdá voda nie je vhodná, pretože môže spôsobiť zrazeniny. Je dôležité, aby voda a pálenka mali pred miešaním rovnakú teplotu. Vždy je lepšie nalievať vodu do pálenky, nie naopak. Pri riedení je potrebné brať do úvahy tzv. "objemovú kontrakciu" - jav, pri ktorom sa objem zmesi liehu a vody po zmiešaní zmenší oproti súčtu pôvodných objemov. Napríklad 100 litrov 100% etanolu zmiešaných so 100 litrami vody sa nerovná 200 litrom 50% roztoku, ale len 192,8 litrom 51,8% etanolu. Na presný výpočet objemovej kontrakcie treba použiť príslušné tabuľky.
Destiláty a ich Zrenie: Čas ako Najlepší Majster
Viaceré ovocné destiláty získané destiláciou kvasu sa vyznačujú pomerne ostrou a drsnou chuťou a nie sú v tomto stave vhodné ku okamžitej konzumácii. Ich odležaním získame to, že sa ich chuť zaokrúhli a stane sa dostatočne jemnou a príjemnou. Okrem toho v praxi sa odležané viacročné destiláty (predovšetkým slivovica) pokladajú za kvalitnejšie a hodnotnejšie. Tomu zodpovedá aj ich predajná cena na trhu. Avšak aj v prípade dobrej slivovice platí, že tá naozaj kvalitná musí mať dosť jemnú chuť ihneď po destilácii.
Medzi základné chemické procesy prebiehajúce pri stárení destilátov patrí esterifikácia (reakcia alkoholov s organickými kyselinami) a oxidácia (premena alkoholov na aldehydy a organické kyseliny), ku čomu je pochopiteľne potrebná prítomnosť kyslíka. Aj keď sa niektoré metódy snažia o vyššiu esterifikáciu, iné o urýchlenie procesu oxidácie (napr. pridaním peroxidu vodíka), je potrebné si uvedomiť, že oba procesy prebiehajú súčasne a nie je možné samostatne ovplyvniť iba jeden z nich.
Teplota a Svetlo: Fyzikálne Podmienky Zrenia
Rovnako aj teplota a svetlo sú fyzikálne podmienky, ktoré zasahujú do rýchlosti reakcií a preto je akýkoľvek iný umelý zásah do zrenia destilátov veľmi sporný. Tak ako už bolo povedané, samotné zrenie je proces, ktorý môžeme len ťažko ovplyvniť.
Skladovanie Destilátov: Od Skla po Drevené Súdy
Najbežnejším a najjednoduchším spôsobom je, že destilát pozvoľna zreje v sklenených fľašiach/nádobách uzavretých korkovou zátkou. Keďže je množstvo a prístup vzduchu v tomto prípade obmedzený, je dôležité, aby nádoby boli plnené do max. ¾ svojho objemu. Podobne je to u cementových, kamenín oých či nerezových nádob. Aby sa destilát však mohol dostatočne uležať a naplno zrieť, je najvhodnejšie ho uskladniť v drevených sudoch. Drevo je pórovitý materiál, takže neustále prenikanie určitého množstva vzduchu je v tomto prípade zabezpečené. Možným negatívom je, že destilát prijíma z dreva rôzne látky, ktoré ho môžu zafarbiť či „dochutiť“. Dubové drevo môže zanechať v chuti trieslovinu či vanilín, modrínové zase chuť a zápach po terpentíne. Ak teda (pri niektorých druhoch destilátov) nie je voľba drevených sudov cielená kvôli výslednej chuti, najvhodnejšími sudmi sú sudy z jaseňa a bieleho francúzskeho dubového dreva z Limousinu. Aj tu však platí, že pred ich naplnením je potrebné sudy nechať vypariť a niekoľkokrát vypláchnuť teplou vodou. Je ešte potrebné spomenúť, že pri uležaní destilátov v drevených nádobách nastávajú straty 1,5-2% na objeme alkoholu.
V praxi vo veľkých priemyselných výrobách sa často pristupuje k procesu zrenia práve v nerezových alebo kameninových nádobách. Ak je potrebné, aby výsledný produkt z nejakého dôvodu v sebe niesol známky zrenia v podobe zafarbenia destilátu (čo je prirodzený efekt počas zrenia v hlavne v nových drevených sudoch), pridávajú sa do nádob na niekoľko rokov najčastejšie hobliny dubu. Najlepšími sú opäť hobliny francúzskeho limousinského druhu.

Doporučená Doba Odležania
Doporučená doba odležania je závislá na druhu destilátu. Destilát z marhúľ alebo malín dosahuje svojho vrcholu okolo 4 rokov. Destiláty z čerešní, sliviek alebo hrozna je možné skladovať neobmedzene dlho. Všeobecne platí, že ak by sme dobu zrenia chceli z nejakého dôvodu urýchliť, pomôže nám k tomu vyššia teplota a väčší prístup vzduchu. Po riadnom uležaní destilátu môže nasledovať fľaškovanie. V samotnej fľaši však destilát kvôli malej vzduchovej bubline už bude „stárnuť“ len veľmi pomaly. Dobrá pálenka sa teda nesmie báť času ani staroby, pretože iba tak dochádza k harmonizácii jej chuti.
Legislatívne Rámce Domáceho Pálenia
Hoci sa v minulosti uvažovalo o úplnom zákaze domáceho pálenia alkoholu na Slovensku, momentálne je táto činnosť legálna. Existujú však prísne pravidlá, ktoré musí každý záujemca dodržať. Na pálenie alkoholu je oprávnená len osoba staršia ako 21 rokov, ktorá je bezúhonná. Vyrobený destilát, teda pálenka, nesmie prekročiť hranicu 86 % etyl alkoholu. Domáca produkcia je limitovaná na maximálne 100-litrové certifikované zariadenie, ktoré musí byť vo vlastníctve registrovanej osoby a pálenie môže prebiehať výhradne v mieste jej trvalého bydliska. Kľúčové je tiež, že domáca pálenka nesmie byť ďalej predávaná. Splnenie všetkých legislatívnych podmienok je prvým, často náročným krokom, ktorý mnohých od domácej výroby odradí.
Slovenská Tradícia a Moderné Trendy
Slovensko má dlhú tradíciu v pálení takmer všetkého ovocia, pričom najobľúbenejšie sú slivky a jablká. Borievka, hruška a iné ovocie obsahujúce cukor, tiež vôbec nezaostávajú. Okrem tradičných ovocných destilátov sa dnes stretávame aj s destilátmi z obilia, piva, vína či dokonca zeleniny. Každý milovník kvalitného alkoholu si nájde to svoje.
Ako si Slovenský Poklad Správne Vychutnať?
Pripravili sme pre vás tipy, ako piť destilát spôsobom, vďaka ktorému budete postupne objavovať všetky jeho chute. Nakoľko ide o alkohol, je vhodné začať s ním opatrne. Aby ste si ho čo najviac užili a vychutnali si všetky jeho esencie, je vhodné piť ho pomaly a nie priveľké množstvo naraz. Nie každý destilát vám bude chutiť, no určite ho hneď nezavrhnite. Takisto vám každý nemusí robiť dobre. Ďalším dôležitým faktorom je správna technika. Po prehltnutí necháme ústa ešte chvíľu zatvorené a pomaly sa nadýchneme a vydýchneme, najlepšie nosom. Tak precítite chuť prvých tónov tekutiny.
Náš tip: Čo takto začať rovno ovocným destilátom? Tatranská Marhuľovica je jemný ovocný destilát z vyberaných marhúľ, ktorý Vám ponúka citrusové tóny s nádychom korenia. Najlepšie precítite chute obsiahnuté v destiláte vtedy, ak ho nebudete zapíjať. Samozrejme, ak by vám nechutil, prípadne by ste sa potrebovali napiť, určite tak urobte. Pri degustácii a vychutnávaní si destilátu je dôležité aj to, z akého pohára ho pijete.
Fine Destillery Malinovica Exclusive 45% - Ovocný destilát vyrobený z ručne zberaných červených malín. Bowten Hroznovica Muškát žltý 50% - Ovocný destilát vyrobený z bobúľ hrozna odrody Muškát žltý. CONSTANTIN Drienkovica 52% - Je čistý 100% drienkový destilát. Medveďovica Silver 50% - Je absolútne nový druh obilného destilátu. Domáca Pálenka Slivovica 52% - Liehovar na ovocné destiláty dp Company ako prvý na Slovensku obnovil výrobu tradičnej slovenskej domácej pálenky.
Nechutí vám samotný destilát? Doprajte si k nemu napríklad pravú domácu slaninku alebo klobásku alebo z inej strany - ovocie a vyskúšajte toto spojenie. Umenie pitia "pravej slovenskej pálenky" spočíva v tom, že si ju viete vychutnať, bez ohľadu na spôsob.
Starenie Ultrazvukom: Urýchlenie na Úkor Kvality?
Niektoré prevádzkarne ponúkajú metódu „starenia“ pálenky pomocou ultrazvuku. Vibrácie údajne urýchľujú chemické reakcie. Odborníci však upozorňujú, že tento proces je sporný. Urýchlením jednej časti chemického deja sa stráca prirodzený vývoj iných zložiek, čo môže byť na škodu celkovej kvality. Ultrazvuk síce môže odstrániť nepríjemné plyny a acetaldehydy spôsobujúce drsnú chuť, ale zároveň odparí aj cenné aromatické látky. Z tohto dôvodu sa mnohí výrobcovia od tejto metódy dištancujú a uprednostňujú tradičné, časom overené postupy.
Sklo: Ideálny Spoločník pre Dlhodobé Skladovanie
Sklo je pre skladovanie alkoholu ideálnym materiálom vďaka svojej inertnosti. Nereaguje s alkoholom ani inými zlúčeninami v destiláte a neuvoľňuje žiadne škodlivé látky. Nepriepustnosť skla bráni prenikaniu kyslíka, ktorý môže spôsobiť nežiaducu oxidáciu a zhoršenie kvality nápoja. Kvalitný uzáver fľaše, či už korok alebo skrutkovací, ďalej zvyšuje jej tesnosť. Sklo tiež poskytuje vynikajúcu ochranu pred svetlom, najmä tmavo sfarbené sklo (jantárové, zelené), ktoré blokuje UV žiarenie. Tieto vlastnosti robia zo sklenených fliaš ideálnu voľbu pre dlhodobé skladovanie a dozrievanie alkoholu.
Správne Skladovanie: Kľúč k Zachovaniu Kvality
Pre maximálnu trvanlivosť likérov v sklenených fľašiach je nevyhnutné správne skladovanie. Fľaše by mali byť umiestnené na chladnom a tmavom mieste, mimo priameho slnečného žiarenia a zdrojov tepla. Ideálna teplota pre väčšinu likérov sa pohybuje v rozmedzí 10-15 °C. Dôležité je tiež skladovať fľaše vo zvislej polohe, najmä ak obsahujú korkové uzávery, aby sa zabránilo ich vysychaniu a strate tesnosti. Dlhodobé skladovanie v sklenených fľašiach môže skutočne zlepšiť kvalitu niektorých likérov.