Dvojplášťové destilačné prístroje predstavujú technologicky vyspelé zariadenia, ktoré nachádzajú svoje uplatnenie v širokom spektre priemyselných aj domácich aplikácií. Ich konštrukcia, založená na princípe dvoch na seba umiestnených plášťov, umožňuje efektívnejšie riadenie teploty a optimalizáciu procesu destilácie. Tieto prístroje sú navrhnuté s cieľom zabezpečiť vysokú čistotu destilátu a zároveň minimalizovať energetické straty, čo z nich robí ideálnu voľbu pre každého, kto vyžaduje precíznosť a efektivitu.

Princíp fungovania a konštrukčné výhody
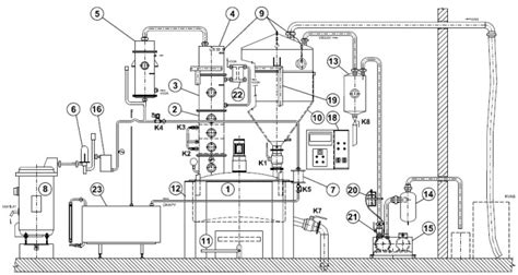
Základným prvkom dvojplášťového destilačného prístroja je jeho špecifická konštrukcia. Vnútorný plášť obsahuje destilovaný materiál, zatiaľ čo priestor medzi vnútorným a vonkajším plášťom je vyplnený vykurovacím médiom. Toto médium, či už ide o vodu, olej alebo paru, slúži na rovnomerné a kontrolované ohrievanie obsahu vnútorného pláta. Výsledkom je homogénnejšie rozloženie tepla, čím sa predchádza lokálnemu prehrievaniu a potenciálnemu poškodeniu destilovaného materiálu. Táto metóda zároveň zabezpečuje lepšiu tepelnú izoláciu, znižuje tepelné straty do okolia a zvyšuje celkovú energetickú účinnosť zariadenia.
V kontexte predaja a ponuky sa často stretávame s rôznymi typmi dvojplášťových zariadení. Napríklad, elektrický varný kotol ALBA Horovice KE 85 po kompletnom repase je celonerezový, dvojplášťový a elektrický, s objemom 85 litrov. Jeho výkon je 12 kW a prešiel kompletnou výmenou elektrických komponentov vrátane vypínača, tlakového spínača, stykača a špirál. Podobne, elektrický varný kotol s objemom 80 litrov, vyrobený z kvalitnej nerezovej ocele, je tiež dvojplášťový a plne funkčný na 400V napájanie. Tieto kotly sú ideálne pre varenie a ohrev rôznych médií, kde je dôležitá presná kontrola teploty a rovnomerné zohrievanie.

Aplikácie v priemysle a domácnostiach
Dvojplášťové destilačné prístroje nie sú obmedzené len na jedno odvetvie. Ich všestrannosť ich robí cenným nástrojom v mnohých oblastiach. V potravinárskom priemysle sa používajú na výrobu liehovín, esenciálnych olejov a iných aromatických látok, kde je kľúčová čistota produktu a zachovanie senzorických vlastností. V chemickom priemysle slúžia na separáciu a čistenie rozpúšťadiel, kyselín a iných chemikálií.
Špecifickým príkladom je destilačné zariadenie na pálenie destilátov s objemom 80 litrov, ktoré je antikorové a dvojplášťové. Toto zariadenie prichádza s plynovým horákom a chladením ako súčasťou balenia, čo z neho robí kompletné riešenie pre domácich výrobcov destilátov. Hoci sa predaj takýchto zariadení môže viazať na licenčné požiadavky, samotná technológia dvojplášťového ohrevu zabezpečuje optimálne podmienky pre proces destilácie.
Ďalším významným využitím je destilácia vody. Prístroje určené na destiláciu vody bežnej tvrdosti, zodpovedajúcej norme pre pitnú vodu, sú navrhnuté s ohľadom na dlhodobú prevádzku a kvalitu výsledného produktu. Ohrevný element môže byť elektródový, tvorený grafitovými tyčami alebo tvarovanými nerezovými plechmi. Je však dôležité poznamenať, že elektródový ohrev nemusí byť kompatibilný s rozvodmi s predradenými prúdovými chráničmi, bežnými napríklad v zdravotníckych zariadeniach. Množstvo destilovanej vody a životnosť elektród priamo závisia od zloženia vstupnej vody. V priebehu prevádzky sa v priestore ohrevu môže tvoriť kameň, ktorý znižuje výkon a kvalitu destilátu a vyžaduje špecifické metódy čistenia okrem bežného preplachu. Preto je pre zákazníka nevyhnutné mať dobré informácie o celkovej tvrdosti a tlaku vstupnej vody.
Separačné roztoky – Destilácia
Existujú aj stolné verzie destilačných prístrojov, ktoré sú dodávané so zásobníkom. Pri ich inštalácii je dôležité zabezpečiť ľahkú prístupnosť k miestu odberu destilátu a umiestnenie na rovnej ploche s plstenou podložkou. K dispozícii sú aj závesné verzie bez zásobnej nádoby, ktoré ponúkajú výkon približne 10 litrov za hodinu, pričom zberná nádoba na destilát nie je zahrnutá v cene.

Špecifické typy dvojplášťových zariadení
Okrem kotlov a destilačných prístrojov sa dvojplášťová konštrukcia využíva aj pri iných typoch zariadení. Príkladom je mobilná nadzemná dvojplášťová nádrž na naftu NDN 8000 od výrobcu TRASO, s.r.o. Tieto nádrže sú navrhnuté pre bezpečnú a spoľahlivú skladovaciu naftu a často sú vybavené výdajným stojanom a sacím čerpadlom. Konštrukcia s dvojitým plášťom poskytuje dodatočnú vrstvu ochrany proti únikom a environmentálnym škodám.
Ďalším príkladom je dvojplastová nerezová pec na čiernenie ocele. Tieto pece využívajú teplý proces na dosiahnutie požadovanej povrchovej úpravy. Dvojitý plášť v tomto prípade prispieva k efektívnemu udržiavaniu vysokej teploty a zároveň chráni okolie pred nadmerným teplom. Podobne, umývacia a odmastovacia linka s priechodnou komorou o veľkosti 350 mm x 400 mm môže byť tiež konštruovaná s dvojitým plášťom pre lepšiu reguláciu teploty čistiaceho roztoku a energetickú efektivitu.
Dvojplášťové pece, ako napríklad teplovzdušná pec KRAMAR, sú určené na vykurovanie väčších priestorov, kde je potrebný efektívny a rovnomerný rozvod tepla. Tieto pece sú vhodné pre rôzne prostredia, vrátane skleníkov, výrobných a skladovacích priestorov.

Dôležité aspekty pri výbere a používaní
Pri výbere dvojplášťového destilačného prístroja je potrebné zvážiť niekoľko kľúčových faktorov. Objem zariadenia by mal zodpovedať vašim potrebám a plánovanej kapacite výroby alebo spracovania. Materiálové vyhotovenie, najmä nerezová oceľ, zaručuje odolnosť voči korózii a dlhú životnosť. Typ ohrevu (elektrický, plynový) a jeho výkon sú rovnako dôležité pre efektivitu procesu.
Pri destilácii vody je nevyhnutné poznať zloženie vstupnej vody, jej tvrdosť a tlak, aby bolo možné optimálne nastaviť prevádzku a predchádzať problémom s tvorbou usadenín a znižovaním výkonu. Kompatibilita s elektrickou inštaláciou, najmä pri elektródových ohrevoch, je ďalším kritickým bodom.
V prípade destilačných zariadení na výrobu alkoholických nápojov je dôležité informovať sa o legislatívnych požiadavkách a licenciách potrebných na prevádzkovanie takejto činnosti.
Dvojplášťové konštrukcie, či už ide o kotly, destilačné prístroje, nádrže alebo pece, ponúkajú pokročilé riešenia pre kontrolu teploty, energetickú efektivitu a bezpečnosť. Ich všestrannosť a schopnosť prispôsobiť sa rôznym aplikáciám z nich robia cenný nástroj v modernom priemysle a v pokročilých domácich systémoch.
tags: #destilacny #pristroj #dvoj #plast