Vykurovanie, chladenie a precízne riadenie teploty - to sú základné princípy, ktoré stoja za fascinujúcim procesom destilácie. Či už ide o výrobu kvalitného alkoholu, čistej vody, éterických olejov alebo tinktúr, správne zvolený destilačný prístroj je kľúčom k úspechu. V posledných rokoch zaznamenáva domáca destilácia rastúcu popularitu, čo viedlo k vývoju širokej škály zariadení, od jednoduchých kotlov až po sofistikované kolónové systémy. Tento článok sa ponorí do detailov rôznych typov destilačných prístrojov, ich konštrukčných prvkov a princípov fungovania, pričom sa zameria aj na špecifické aspekty, ako je napríklad destilácia bez miešadla.
Základy destilácie: Od kvasu k čírej tekutine
Proces destilácie je založený na rozdiele vo varových bodoch zložiek zmesi. V kontexte výroby alkoholu sa najprv pripraví tzv. kvas, ktorý je výsledkom fermentácie cukrov (zvyčajne z ovocia alebo obilia) pomocou kvasiniek. Tento kvas obsahuje okrem vody a etanolu aj rôzne iné látky, ako sú aromatické zlúčeniny, ale aj nežiaduce primárne alkoholy a iné nečistoty.
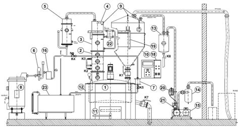
Základný destilačný prístroj, často nazývaný aj pálenica, sa skladá z troch hlavných častí:
- Kotol: Nádoba, kde sa kvas zahrieva. Vplyvom teploty sa alkohol a iné prchavé látky odparujú.
- Piestupník (alebo stĺp): Spojovacia časť medzi kotlom a chladičom. Môže byť jednoduchý alebo zložitý (rektifikačná kolóna).
- Chladič (kondenzátor): Nádoba, kde sa pary alkoholu ochladzujú a kondenzujú späť do tekutej formy. Najčastejšie sa používa chladič typu "had" alebo "špirála" umiestnená v nádobe s chladnou vodou.

Všetky časti destilačného prístroja, ktoré prichádzajú do kontaktu s alkoholom počas destilácie, sú zvyčajne vyrobené z medi. Meď je preferovaným materiálom, pretože reaguje s niektorými nežiaducimi zlúčeninami síry a inými nečistotami, čím ich odstraňuje z výsledného destilátu a zároveň katalyzuje tvorbu nových, žiaducich destilačných aróm.
Typy destilačných prístrojov a ich špecifiká
Trh dnes ponúka široké spektrum destilačných prístrojov, ktoré sa líšia veľkosťou, konštrukciou a spôsobom ohrevu.
1. Jednoduché kotlové destilátory:Tieto prístroje sú ideálne pre začiatočníkov alebo pre tých, ktorí chcú destilovať menšie objemy. Sú cenovo dostupné a relatívne jednoduché na obsluhu.
- Elektrické kotly: Ponúkajú pohodlné a presné nastavenie teploty pomocou termostatu. Existujú modely s objemom od 30 do 150 litrov. Elektrické kotly s výkonom 30/50 litrov sú bežnou voľbou pre domácu výrobu.
- Kotly s dvojdielnym kúreniskom ("prevaľovače"): Tieto kotly sú navrhnuté tak, aby minimalizovali riziko pripálenia kvasu. Môžu byť vybavené buď miešadlom, alebo špeciálnou medenou vložkou, ktorá slúži ako tepelný štít.
- Sklonné destilačné prístroje: Tieto prístroje majú kotol umiestnený na kúrenisku s možnosťou pripojenia "klobúka" a následne chladiča cez piestupník.
2. Kolónové destilačné prístroje:Pre tých, ktorí hľadajú vyššiu čistotu a koncentráciu alkoholu, sú kolónové destilačné prístroje ideálnou voľbou. Tieto systémy využívajú rektifikačnú kolónu, ktorá umožňuje opakované odparovanie a kondenzáciu, čím sa dosahuje oveľa vyššia čistota destilátu.
- Rektifikačná kolóna: Jej účelom je koncentrovať a získať z kvasu čo najviac alkoholu a aróm bez dodatočnej rektifikácie. Toto je možné vďaka perforovaným rektifikačným miskám, ktoré prepúšťajú len látky užitočné pre výsledný destilát, zatiaľ čo nežiaduce látky sú zadržané. Súčasťou kolóny je aj deflegmátor, ktorý slúži na reguláciu teploty vystupujúcej pary a tvorbu refluxu, nevyhnutného pre správne fungovanie kolóny. Na vrchu kolóny je zabudovaný teplomer, ktorý meria teplotu pary vstupujúcej do odparovacej trubky.
- Príklady modelov: Na trhu sa objavujú 150-litrové kolónové liehovary na éterické oleje a alkohol, ktoré sú vybavené odtokovým potrubím, sklopným rámom a integrovaným destilačným teplomerom.

3. Špecializované destilátory:
- Destilátory vody: Tieto prístroje sú určené výhradne na čistenie vody. Často majú sklenený džbán a sú vyrobené z kvalitných materiálov ako nehrdzavejúca oceľ 304 a plast bez BPA. Kapacita sa pohybuje okolo 4 litrov.
- Destilátory na éterické oleje a tinktúry: Tieto prístroje sú navrhnuté tak, aby jemne extrahovali aromatické zlúčeniny bez ich poškodenia.
Kľúčové komponenty a ich funkcie
Pri výbere alebo pochopení fungovania destilačného prístroja je dôležité poznať funkciu jednotlivých častí:
- Kotol s dvojplášťom: Moderné kotly sú často dvojplášťové a plnené vodou. Tento systém zaisťuje rovnomerné zahrievanie a zabraňuje pripáleniu kvasu. Plnenie vodou sa vykonáva cez ventil a hladina sa kontroluje priehľadnou trubkou. Kotol je vybavený nanometrom na sledovanie tlaku a bezpečnostným ventilom pre prípad pretlaku.
- Miešadlo s elektromotorom: Okrem zabránenia pripálenia kvasu má miešadlo aj ďalšie výhody. Pri intenzívnom zahrievaní skracuje čas potrebný pre začiatok destilácie, čím znižuje spotrebu energie. Konštantné miešanie zabezpečuje rovnakú teplotu v celom objeme kvasu, čo umožňuje presnejšie oddelenie jednotlivých frakcií. Miešadlo sa používa ľahko a jednoducho.
- Teplomer kvasu: Sonda teplomeru priamo vstupuje do kotla, čo umožňuje presné sledovanie nárastu teploty. Nastaviteľný akustický signál upozorní na začiatok destilácie a na bod, kedy sa teplota blíži k bodu varu vody, čo signalizuje potrebu ukončenia destilácie.
- Výpustný ventil so spiatočným preplachovaním: Toto koleno umožňuje bezpečné vyprázdnenie zvyšku kvasu z kotla. Možnosť pripojenia vody z vodovodu k vstupnému ventilu pomáha zabrániť upchávaniu odtoku alebo ochladzovať vypúšťaný kvas.
- Epruvetta s výpustným ventilom: Slúži na meranie aktuálnej liehovitosti destilátu. Nerezový kohútik uľahčuje odstránenie úkvapu a jednoduché čistenie.
- Kupola s dvierkami na plnenie kvasu: Vyrobená z medi, s masívnymi dvierkami a teplu odolným tvrdeným sklom, ktoré umožňuje pohľad dovnútra kotla. Silikónové tesnenie medzi kotlom a kupolou slúži ako bezpečnostný prvok pri pretlaku.
- Prietokomery: Umožňujú presnú reguláciu prietoku chladiacej vody, čo je kľúčové pre udržanie rovnováhy medzi chladiacou vodou a odparujúcou sa parou. Nesprávna regulácia môže viesť k pomalému alebo zastavenému výstupu destilátu, alebo k nízkej koncentrácii alkoholu a strate aróm.
Jednoduchá destilácia
Výhody jednostupňovej destilácie a špecifické techniky
Jednostupňová destilácia, najmä s použitím rektifikačnej kolóny, prináša rad výhod:
- Vysoká koncentrácia alkoholu: Umožňuje získať alkohol s koncentráciou 75-85% bez dodatočnej rektifikácie.
- Čistota destilátu: Eliminujú sa nežiaduce primárne alkoholy a iné škodlivé látky, ktoré by sa inak mohli dostať do konečného destilátu.
- Zachovanie arómy: Vďaka špecifickej konštrukcii rektifikačných misiek a deflegmátora je možné získať najaromatickejší destilát, pričom sa zachová vôňa príznačná pre destilovanú surovinu. Pri správnom nastavení hladiny refluxu je možné dosiahnuť koncentráciu alkoholu 90% a zároveň zachovať jemné arómy.
- Odstránenie nečistôt: Špeciálne navrhnuté časti kolóny pomáhajú zadržiavať zlúčeniny síry, kyanidy a iné nepríjemné látky.
- Energetická efektivita: Pri destilácii s už zahriatym kotlom sú náklady nižšie a čas na prípravu destilátu kratší.
Kapacita a materiálové prevedenie
Destilačné prístroje sa líšia aj svojou kapacitou. Bežne sa stretávame s kapacitami od 50 litrov až po 150 litrov. Sud kotla sa často udáva v palcoch (napr. 13,8" x 13"). Materiálové prevedenie je kľúčové pre kvalitu a dlhú životnosť prístroja. Nerezová oceľ hrúbky 2 mm je bežným štandardom pre kotly, zatiaľ čo medené časti sú preferované v oblastiach prichádzajúcich do kontaktu s alkoholom. Kvalitný plast bez BPA a hliníkové lopatky ventilátora sú tiež súčasťou niektorých moderných dizajnov.
Bezpečnosť a inštalácia
Pri prevádzke destilačných prístrojov je bezpečnosť na prvom mieste. Dvojplášťové kotly s bezpečnostnými ventilmi, silikónové tesnenia a presné sledovanie teploty sú nevyhnutné. V prípade elektrických prístrojov je dôležité, aby zapojenie elektrického rozvádzača vykonával kvalifikovaný elektrikár a aby bol vyplnený inštalačný denník.
Záver
Vývoj destilačných prístrojov prešiel od jednoduchých kotlov k sofistikovaným kolónovým systémom, ktoré umožňujú dosiahnuť vysokú čistotu a kvalitu destilátu. Pri výbere vhodného prístroja je dôležité zvážiť účel použitia, požadovanú kapacitu, materiálové prevedenie a bezpečnostné prvky. Bez ohľadu na to, či ide o výrobu domácej pálenky, éterických olejov alebo čistej vody, správny destilačný prístroj je investíciou do kvality a pôžitku.